Nghị quyết số 57-NQ/TW ngày 22/12/2024 của Bộ Chính trị về đột phá phát triển khoa học, công nghệ, đổi mới sáng tạo và chuyển đổi số quốc gia, đã ban hành các chiến lược nghiên cứu, ứng dụng khoa học, công nghệ trong khai thác, phát triển không gian ngầm, không gian lòng biển và không gian vũ trụ, là cơ sở chính trị vững chắc cho các nhà khoa học đề xuất nghiên cứu, ứng dụng các công nghệ lõi, công nghệ mới như công nghệ lưu biến có khả năng hỗ trợ Việt Nam làm chủ không gian ngầm, không gian lòng biển và không gian vũ trụ. Trong nội dung bài báo, tác giả trình bày sơ lược khái quát tiềm năng của công nghệ này.
1. Khái niệm lưu biến
Lưu biến học được sử dụng để mô tả và đánh giá sự biến dạng và hành vi chảy của vật liệu. Chất lỏng chảy ở các tốc độ khác nhau và chất rắn có thể bị biến dạng ở một mức độ nhất định. Dầu, mật ong, dầu gội đầu, kem dưỡng da tay, kem đánh răng, thạch ngọt, vật liệu nhựa, gỗ, đất, đá và kim loại – tùy thuộc vào hành vi vật lý của chúng, chúng có thể được sắp xếp theo thứ tự: Một bên là chất lỏng, bên kia là chất rắn và ở giữa là các chất bán rắn có độ nhớt cao.
Hiện nay, tất cả các nước lớn trên thế giới đều thừa nhận và ứng dụng công nghệ lưu biến vào mọi mặt đời sống. Sách ứng dụng lưu biến (Applied Rheology) được xuất bản với 11 ngôn ngữ: Tiếng Đức, tiếng Anh, tiếng Trung, tiếng Hàn, tiếng Pháp, tiếng Tây Ban Nha, tiếng Bồ Đào Nha, tiếng Italya, tiếng Nhật, tiếng Thổ Nhĩ Kỳ và tiếng Nga. (Hình 1)

2. Ứng dụng công nghệ lưu biến làm chủ không gian vũ trụ
Hàng không vũ trụ chắc chắn là một môi trường đầy thách thức vì các vật liệu được sử dụng phải chịu được những điều kiện cực kỳ khắc nghiệt. Thông thường, việc thiết kế và lựa chọn vật liệu cho các ứng dụng hàng không vũ trụ chủ yếu được thực hiện nhằm mục đích giảm mức tiêu thụ nhiên liệu trong khi vẫn duy trì hiệu suất bay tổng thể.
Theo quan điểm tổng thể, có thể định nghĩa vật liệu hàng không vũ trụ là hệ thống cấu trúc có khả năng chịu được ứng suất cơ học tác dụng lên khung máy bay trong mọi hoạt động bay, chẳng hạn như cất cánh, hạ cánh và bay hành trình, trong số những hoạt động khác, tính khả dụng của các quy trình phù hợp và giá cả phải chăng để sản xuất chúng và cuối cùng là tính hiệu quả về chi phí.
Do đó, khoa học và công nghệ vật liệu hàng không vũ trụ đã trải qua sự phát triển nhanh chóng, từ thiết kế vật liệu composite vĩ mô đến vi mô, đến việc sử dụng các hệ thống có cấu trúc nano, đặc biệt là trong 10 – 15 năm qua. Theo cách này, người ta có thể sản xuất các thành phần máy bay có các đặc điểm rất cụ thể (tức là liên quan đến mật độ của vật liệu được sử dụng), đáp ứng nhu cầu sử dụng các thành phần và bộ phận nhẹ nhất có thể, có thể cung cấp khả năng chống nhiệt, cơ học và môi trường cần thiết trong quá trình vận hành máy bay.
Trong bối cảnh này, một số những vật liệu này thường được sử dụng để sản xuất các bộ phận hoặc thành phần “quan trọng” (như khung máy bay, cánh, đáy đuôi và thân máy bay) nhằm cung cấp cho máy bay sự an toàn cần thiết. Yếu tố chính phải được xem xét cụ thể để lựa chọn vật liệu hàng không vũ trụ phù hợp và đáng tin cậy là các đặc tính lý hóa học và cơ học của chúng. Ví dụ, mật độ, độ cứng, độ bền cơ học và khả năng chịu hư hỏng, cũng như khả năng chống ăn mòn và mài mòn ngay cả ở nhiệt độ cao.
Vì những lý do này, quá trình sản xuất máy bay thường liên quan đến việc sử dụng các loại vật liệu khác nhau, chẳng hạn như thép, hợp kim nhôm và titan, gỗ và vật liệu composite gia cố sợi. Theo cách này, có thể đạt được sự thỏa hiệp có thể chấp nhận được giữa các vấn đề về tiết kiệm nhiên liệu và hiệu suất bay, thường đại diện cho các yếu tố tương phản các loại vật liệu composite đã được sử dụng để thiết kế và sản xuất máy bay.
Để đánh giá các tính năng già hóa theo thời gian, khả năng chịu lực, chịu nhiệt cần có bài toán thí nghiệm, mô phỏng tính toán. Do đó, các công nghệ và kỹ thuật thí nghiệm lưu biến là cần thiết để phát triển vật liệu bay.
3. Ứng dụng công nghệ lưu biến làm chủ không gian biển
Tương tự như công nghệ tàu vũ trụ, công nghệ đóng tàu biển trên mặt, các loại tàu ngầm cũng cần sử dụng và phát triển công nghệ vật liệu. Đặc biệt công nghệ chế tạo vật liệu mới cần đáp ứng tuổi thọ, chịu nhiệt, ổn định theo thời gian nên các thiết bị xác định tính chất cho vật liệu mới là công nghệ lõi để đánh giá chất lượng cũng như điều chỉnh thành phần các loại vật liệu này.
4. Ứng dụng công nghệ lưu biến làm chủ không gian ngầm
Các loại công trình ngầm quan trọng như: hầm tàu ngầm kilo, công trình ngầm đô thị đều liên quan đến quá trình biến đổi tính chất: đất ba pha, cố kết, từ biến, lưu biến, truyền nhiệt. Do đó, cần các thiết bị nghiên cứu các tham số nghiên cứu xác định các tham số phục vụ thiết kế, thi công, quản lý chất lượng công trình.
Để thấy rõ hơn ứng dụng công nghệ lưu biến khi đào hầm, tác giả tiến hành phân tích sự cố sập hầm ở Hàn Quốc theo định tính như sau:
Tóm tắt sự cố: Một phần công trường tuyến tàu điện ngầm mới ở Gyeonggi bị sập khi đang thi công ở độ sâu 30 m, khiến một công nhân mắc kẹt. Sự cố xảy ra lúc 15h17 ngày 11/4/2025 tại đoạn công trường xây dựng tuyến tàu điện ngầm Sinansan mới ở gần ngã tư Yangji, Gwangmyeong, tỉnh Gyeonggi, Hàn Quốc.

Sự cố khiến phần đường ở ngã tư sụp xuống, các tòa nhà thương mại xung quanh bị hư hại. Giới chức Hàn Quốc đã đóng cửa các con đường nối thành phố Gwangmyeong và Anyang trong tỉnh vào sáng sớm cùng ngày, sau khi phát hiện nguy cơ sụt lún tại công trường. (Hình 2)
Hàn Quốc sơ tán 2.300 người dân sống gần hiện trường vụ sập hầm tàu điện ngầm ở Gyeonggi, đề phòng nguy cơ tiếp tục có thêm thiệt hại. Đáng chú ý, trước khi tai nạn xảy ra khoảng 03 giờ đồng hồ (lúc 12h30), một số cột trụ trung tâm trong đường hầm, vốn đang được thi công theo kết cấu hai vòm, đã xuất hiện hiện tượng nứt vỡ.
Ngay sau đó, chính quyền địa phương đã quyết định phong tỏa toàn bộ giao thông tại các tuyến đường xung quanh nhằm đảm bảo an toàn. Vụ sập hầm cũng gây ảnh hưởng đến một số tuyến đường trên mặt đất và các cơ sở kinh doanh trong khu vực.

Để giải thích hiện tượng sập hầm, đầu tiên xét lý thuyết lưu biến liên quan đến hiện tượng sập đổ lũy tiến như sau: (Hình 3)
Trên hình 3: góc β và θ là vùng ảnh hưởng của hai lớp đất khi khai đào công trình ngầm, giá trị góc β và θ phụ thuộc góc ma sát trong (φ) và lực dính kết (c), giá trị góc β và θ sẽ thay đổi theo giá trị các lớp đất khác nhau: lớp đất càng yếu thì vùng mở rộng càng tăng. Khi biến dạng dẻo tăng tức là khi đào hầm có chuyển vị thì vùng ảnh hưởng sẽ được mở rộng, tăng tải trọng lên kết cấu chống, khi kết cấu chống không đủ khả năng mang tải sẽ xảy ra sự cố. Lý thuyết này cũng đúng trong trường hợp hố đào sâu, nhưng sơ đồ tính khác đi một chút, trong nội dung bài báo này sẽ không phân tích chi tiết cụ thể quá về mặt khoa học.
Như vậy, trước khi sập hầm, đã có hiện tượng nứt vỡ trụ cột, khả năng mang tải không đảm bảo. Có thể mắc sai lầm trong thiết kế kết cấu chống đỡ, khi các trụ cột mất khả năng mang tải, kéo theo gia tăng chuyển vị đất đá và làm thay đổi giá trị góc ma sát trong (φ) và lực dính kết (c) vùng ảnh hưởng.
Trên hình 3: góc β và θ sẽ giảm dần và làm tăng vùng ảnh hưởng, tải trọng lên kết cấu. Nếu có nhiều lớp đất thì sẽ có nhiều đường gấp khúc mô tả vùng ảnh hưởng thay đổi ở các lớp đất khác nhau. Thời gian, tăng tải trọng tùy thuộc vào tốc độ giảm góc ma sát trong (φ) và lực dính kết (c) vùng ảnh hưởng.
Do đó, trước khi sụp đổ con người vẫn có khả năng nhận biết, xử lý. Tuy nhiên, nếu không có thí nghiệm, kinh nghiệm về công nghệ lưu biến thì rất khó có thể đưa nhanh giải pháp chống đỡ và xác định vùng ảnh hưởng. Chính vì vậy, sau sự cố Chính phủ đã còn thời gian để quyết định sơ tán 2.300 hộ dân sống xung quanh.
Theo thời gian vật liệu bị già hóa, cũng như đất đá xung quanh giảm khả năng mang tải. Do đó, các công trình ngầm, ga tàu điện ngầm thường xảy ra hư hỏng theo chu kỳ và tiến hành bảo dưỡng gia cố. Trong nguyên tắc thiết kế công trình ngầm cần xác định vùng ảnh hưởng của công trình ngầm.

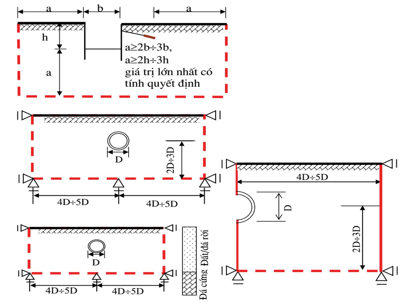
Theo hình 4, vùng ảnh hưởng của hố đào là 3 lần chiều sâu hố đào, với chiều sâu hố đào là 20 m thì phạm vi ảnh hưởng là 60 m hoặc lấy bằng 3 lần chiều rộng hố đào (trong trường hợp bề rộng hố đào lớn hơn chiều sâu).
Do đó, nguyên tắc bố trí hố đào, ga ngầm là chọn lựa nơi địa chất tốt hoặc cách các công trình quan trọng, hồ nước sâu từ 500 – 1.000 m (thêm phạm vi an toàn, trong trường hợp xảy ra sự cố). Mặt khác, trong quá trình sử dụng, cũng hư hỏng và phải bảo trì nên cần giữ khoảng cách an toàn đối với các di tích lịch sử, hồ nước, bờ sông… là những đối tượng dễ bị ảnh hưởng, tổn thương. (Hình 4)
5. Kết luận và kiến nghị
Công nghệ lưu biến đã được các nước thừa nhận và ứng dụng trong rất nhiều các bài toán kỹ thuật, đáp ứng từ công nghệ không gian vũ trụ, không gian biển và không gian ngầm. Trong nội dung bài báo tác giả đã phân tích và vận dụng giải thích hiện tượng sập hầm ở Hàn Quốc. Tuy nhiên, để có hiểu biết sâu và nắm vững công nghệ cần tiến hành đầu tư nghiên cứu thiết bị, máy móc thí nghiệm các tính chất lưu biến của đất/đá.
Công nghệ lưu biến có thể dùng chung cho rất nhiều ngành khác nhau, đáp ứng phát triển công nghệ vật liệu và kiểm soát sự cố công trình ngầm trong quá trình thi công, cũng như dự báo tuổi thọ, phân tích sự cố và phòng ngừa rủi ra tai biến địa chất. Bộ Xây dựng cần thừa nhận công nghệ này và đưa vào công nghệ chiến lược nhằm phát triển xây dựng các công trình đặc biệt của đất nước như: metro, nhà máy điện hạt nhân, đường sắt cao tốc, hầm sâu…
Trong nội dung bài báo cũng phân tích phạm vi ảnh hưởng của hố đào, ga ngầm nhằm đưa ra những lựa chọn, quy hoạch Metro tránh hư hỏng, và các sự cố tới các công trình dễ bị tổn thương.
Nguyễn Huy Hiệp, Trần Trung Đức – Viện Kỹ thuật công trình đặc biệt (Học viện Kỹ thuật quân sự)
Nguyễn Văn Đức – Trường Đại học Công đoàn

